1、用户侧并网发电系统现状
随着新能源应用的普及,越来越多的用户在原有公共电网基础上,增设了分布式光伏发电、风力发电及储能系统。然而,由于发电功率存在波动,同时用户用电负荷不断变化,为避免用户侧并网系统出现逆向供电、向公共电网反送电的情况,须对用户侧并网发电系统进行科学管理与安全控制,以实现防逆流保护功能。
2、用户侧并网发电系统防逆流解决方案
按GB/T 50865-2013 《光伏发电接入配电网设计规范》中6.3.2规定:“当光伏发电系统设计为不可逆并网方式时,应配置逆向功率保护设备。当检测到逆向电流超过额定输出的5%时,光伏发电系统应在2s内自动降低出力或停止向电网线路送电。”
按GB/T 43526-2023 《用户侧电化学储能系统接入配电网技术规定》中10.7规定:“采用不允许向电网倒送电方式的用户侧电化学储能系统,公共连接点应具备逆向功率保护功能。”
采用不允许向电网倒送电方式的用户侧并网发电系统时,需在公共连接点配置防逆流保护装置,通过防逆流软件柔性调节、防逆流保护刚性跳闸相结合的方案,在产生逆向功率倒送公共电网时快速断开并网柜,防止用户侧并网发电系统持续发电倒送公共电网。
不同应用场景下的防逆流保护装置配置方案如下:
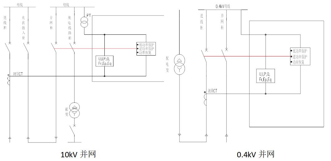
1)当逆流监测点与并网柜之间线缆敷设距离100米以内,采用单机版装置AM5SE-IS来实现防逆流保护功能;
2)当逆流监测点与并网柜之间线缆敷设距离在100米至40kM之间时,采用主从机版装置AM5SE-PV系列,主机从机之间可采用光纤连接,实现主从机的远程防逆流功能。

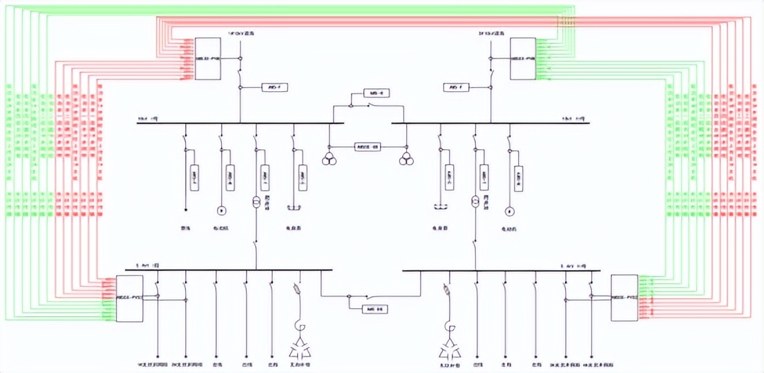
3、系统拓扑
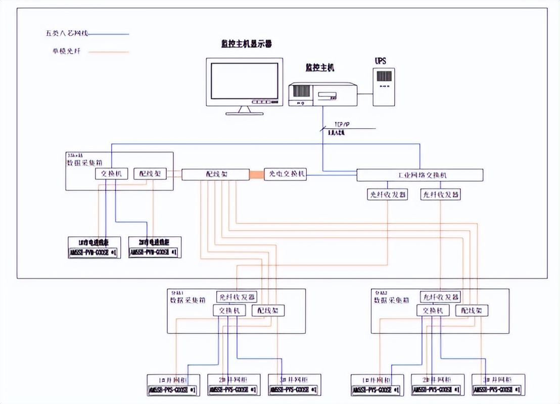
用户侧并网发电系统,按照站控层、间隔层、设备层三层架构设计,通过间隔层通信管理机及网络交换机实时采集防逆流保护装置、微机保护装置、电能质量监测、计量、远动系统等二次设备数据,实现多个区域用户侧并网发电系统监控与自动化管理。同时在监控室配置通信系统、对时系统、远动系统满足系统内部的通信与上级调度需求,配置一套一体化电源系统,为二次设备及监控主机等重要设备运行提供稳定可靠的电源,实现整个用户侧并网发电系统的安全、稳定运行。
4、防逆流软件功能
防逆流软件可实时监测防逆流监测点功率变化,当前光伏发电总功率、储能实时放电功率与储能实时充电功率以及每个并网单元并网点的实时功率。
防逆流软件可设置逆功率跳闸的功率阈值与跳闸动作时间、低功率调节的功率阈值与调节时间、以及功率恢复正常后判断合闸的功率值与恢复合闸动作时间。

4.1 低功率柔性调节
防逆流软件设置低功率调节的功率阈值(该功率为用户侧使用公共电网的下网功率),当公共电网的下网功率较低,可能会由于负荷波动导致逆向功率产生时,防逆流软件柔性调节,给用户侧并网发电系统的并网单元发送降低发电功率指令,防止逆向功率产生。
4.2 逆功率跳闸
防逆流软件设置逆功率跳闸的功率阈值(该功率为用户侧并网发电系统向公共电网反向供电的上网功率),当用户侧并网发电系统向公共电网反向供电的上网功率触发逆功率跳闸功率阈值,防逆流软件给用户侧并网发电系统的并网单元发送跳闸指令,切断用户侧并网发电系统的并网单元,防止持续向公共电网逆向供电。
4.3 功率恢复合闸
当用户侧并网发电系统的并网单元因逆功率跳闸后,用户侧使用公共电网的下网功率恢复正常阈值,且在功率恢复合闸时间内并网单元仍未恢复合闸,防逆流软件给跳闸的用户侧并网发电系统的并网单元发送合闸指令,恢复用户侧并网发电系统的并网单元的发电,提高用户侧并网发电系统的利用率,减少公共电网的使用。
5、防逆流保护装置
5.1单机版防逆流保护装置
AM5SE-IS防逆流保护装置
AM5SE-IS防逆流保护装置主要适用于35kV、10kV及低压380V光伏发电、风力发电、储能充放电等新能源并网供电系统。当向公共电网有逆向供电现象时,可以快速切除并网点,使本站不持续向电网逆向供电,保证电站的使用满足电网要求。

● 主要功能

● 技术参数

● 外形及开孔尺寸

5.2 主从机版防逆流保护装置
5.2.1 光纤直跳方案
AM5SE-PV系列防逆流保护装置

AM5SE-PV系列防逆流保护装置主从机采用光纤方式连接,通过光纤链路远程开入开出实现防逆流。
1)当逆流监测点与用户侧并网发电系统并网单元的并网柜之间线缆敷设距离在100米至1.5kM之间可采用AM5SE-PV系列主从机方案,主机从机之间可采用多模光纤为 62.5/125um,波长 850nm,ST 接口连接;
2)当逆流监测点与用户侧并网发电系统并网单元的并网柜之间线缆敷设距离在1.5kM至20kM之间可采用AM5SE-PV系列主从机方案,主机从机之间可采用单模光纤波长 1310nm,ST 接口连接;
3)当逆流监测点与用户侧并网发电系统并网单元的并网柜之间线缆敷设距离在20kM至40kM之间可采用AM5SE-PV系列主从机方案,主机从机之间可采用单模光纤波长 1550nm,ST 接口。

双市电进线
● 主要功能

● 技术参数

● 外形及开孔尺寸

5.2 . 2 GOOSE通讯方案
AM5SE-PV系列防逆流保护装置

AM5SE-PV系列防逆流保护装置主从机采用光纤方式连接,通过光纤链路组GOOSE通信网络实现防逆流。
1)当逆流监测点与用户侧并网发电系统并网单元的并网柜之间线缆敷设距离在100米至20kM之间可采用AM5SE-PV系列主从机方案,主机从机之间可采用单模光纤波长 1310nm,FC 接口连接;
2)当逆流监测点与用户侧并网发电系统并网单元的并网柜之间线缆敷设距离在20kM至40kM之间可采用AM5SE-PV系列主从机方案,主机从机之间可采用单模光纤波长 1550nm,FC 接口连接。

主从机通信组网光纤直连拓扑图

主从机通信组网借光纤环网交换机组光纤环网拓扑图
● 主要功能

● 技术参数

● 外形及开孔尺寸

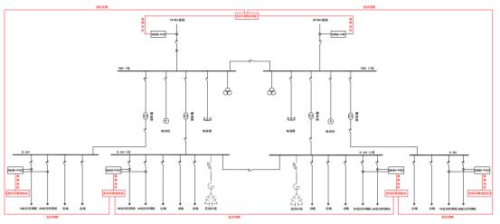
6、典型配置方案

审核编辑 黄宇
- 随机文章
- 热门文章
- 热评文章
- 广彩、粤剧头饰、扎作……香港多项非遗将亮相北京,广彩、粤剧头饰、扎作……香港多项非遗将亮相北京
- 逾千艺术精品亮相荣宝斋(深圳)2025春拍预展,逾千艺术精品亮相荣宝斋(深圳)2025春拍预展
- 乾州古城漫步:听青石低语,看碧荷摇曳,乾州古城漫步:听青石低语,看碧荷摇曳
- 张良从影70周年:走自己的路,不吃别人咬过的馍,张良从影70周年:走自己的路,不吃别人咬过的馍
- 上山考古遗址公园获评“国字号” 如何做好后半篇文章?,上山考古遗址公园获评“国字号” 如何做好后半篇文章?
- 广彩大师谭广辉:描金填彩四十载 万笔丹青绘瓷心,广彩大师谭广辉:描金填彩四十载 万笔丹青绘瓷心
- 两岸出版人相见北京图博会 古籍新媒见证文化共鸣,两岸出版人相见北京图博会 古籍新媒见证文化共鸣
- 北京国际出版论坛举办 中外专家共议AI时代新机遇,北京国际出版论坛举办 中外专家共议AI时代新机遇
- 1沃野铁岭迎丰收 欢歌笑语庆丰年
- 2告别WiFi局限!这款国产ZigBee模块,让你的智能家居更稳定更省电
- 3美联储降息概率提升+AI提振铜、铝需求,工业有色ETF涨近2%,近20日“吸金”逾6.4亿元
- 4港股异动 | 机器人领域催化密集 三花智控(02050)涨超7% 德昌电机控股(00179)涨超6%
- 52025中国公路自行车公开赛(眉山彭山站)在四川眉山鸣笛开赛2025中国公路自行车公开赛(眉山彭山站)在四川眉山鸣笛开赛
- 6成本惊人!英伟达“烧钱”散热 单套液冷组件将飙至近40万元(附股)
- 7著名数学家丘成桐:为学术交流“拆围墙”
- 8自动化冷库PLC数据采集解决方案
- 1歌声里的乡村振兴:侗族大歌如何唱出文旅新篇章,歌声里的乡村振兴:侗族大歌如何唱出文旅新篇章
- 2跨越千年 黄帝文化与浙江缙云“同行”,跨越千年 黄帝文化与浙江缙云“同行”
- 3湖北武当山持续推进文物本体保护修缮工作,湖北武当山持续推进文物本体保护修缮工作
- 4“广交会创办初期档案(1956-1959)”入选第六批《中国档案文献遗产名录》,“广交会创办初期档案(1956-1959)”入选第六批《中国档案文献遗产名录》
- 5陕西省非遗体验中心正式对外开放,陕西省非遗体验中心正式对外开放
- 6彩陶双连壶等400余件文物回郑州大河村“省亲”,彩陶双连壶等400余件文物回郑州大河村“省亲”
- 7“粤唱粤强”华人粤语歌唱大赛举办,“粤唱粤强”华人粤语歌唱大赛举办
- 8《长安的荔枝》北京见面礼举办 马伯庸希望剧集表达小说未尽之意,《长安的荔枝》北京见面礼举办 马伯庸希望剧集表达小说未尽之意




