• 绿色工厂申报必看!Acrel-7000 平台如何搞定能源数据达标与碳排核算?

    第一财经记者第一财经记者 2025-12-13

    一、双碳时代下企业能源管理的挑战与机遇 (一)政策驱动下的 “强监管” 新常态 在全球积极应对气候变化的大背景下,“双碳” 目标成为我国实现可持续发展的关键战略。2025 年 3 月,工信部印发的《工业企业和园区数字化能碳管理中心建设指南》犹如一记强音,明确要求企业实现能耗与碳排放的 “精准计量、精细管控、智能决策与可视呈现” 。这一政策的出台,标志着能源...

    已有46626人围观
  • Keithley6430静电计常见故障(高阻/低电流异常)维修方案

    第一财经记者第一财经记者 2025-12-12

    Keithley 6430静电计结合了吉时利流行的源表和源测量单元(SMU)产品的电压和电流源和测量功能,以及优于静电计的灵敏度、噪声和输入电阻规格。其远程前置放大器设计使得这款仪器能够在被测设备上提供或测量电流,同时最大限度地减少电缆噪声的影响。 一、吉时利6430静电计可维修故障: 1.开机无反应或无法正常工作; 2.测量值不准确或乱...

    已有95289人围观
  • 为什么我的上位机通信速度慢?

    第一财经记者第一财经记者 2025-12-11

    通信越快越好吗? 通信速度往往被认为是越快越好。但对于上位机系统来说,是否同样如此呢? 一、通信分类 在自动化系统中,通信通常可分为两大类: 1.现场控制层与现场设备层之间的通信 这一层级主要涉及PLC、DCS等控制器与伺服驱动器、变频器、远程I/O等现场设备之间的数据交互,对实时性要求较高。近年来工业通信技术的发展也印证了这一点——以...

    已有77931人围观
  • 5G通信模组和gps天线封装加固用什么胶

    第一财经记者第一财经记者 2025-12-10

    在5G通信模组和GPS天线封装加固中,需根据具体应用场景,工作环境、结构特点及性能要求选择适配的胶粘剂,以下是不同场景下的胶水推荐及分析: 5G通信模组和gps天线封装加固用什么胶 一、5G通信模组封装加固 5G模组对胶粘剂的核心需求包括高精度粘接、耐高温湿热、低信号损耗、快速固化,以适应高频信号传输和严苛环境。推荐以下类型胶水: 环氧树脂胶 特...

    已有66121人围观
  • 电能质量在线监测装置可设置数据加密密钥吗?

    第一财经记者第一财经记者 2025-12-10

    电能质量在线监测装置支持数据加密密钥设置,但具体能力与实现方式因设备等级而异:基础型装置通常仅支持固定密钥或简单配置,中高端装置可自定义密钥并管理密钥生命周期,高端机型更集成硬件安全模块 (HSM) 与国密算法,支持双向证书认证与动态密钥协商。 一、核心加密能力与密钥类型 1. 加密算法支持 算法类型 主流支持...

    已有61200人围观
  • onsemi NVH4L060N065SC1碳化硅功率MOSFET的性能剖析与应用指南

    第一财经记者第一财经记者 2025-12-09

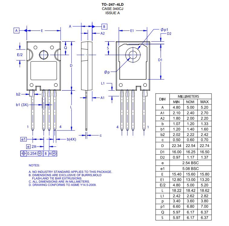
    onsemi NVH4L060N065SC1碳化硅功率MOSFET的性能剖析与应用指南 在电子工程领域,功率MOSFET作为关键的半导体器件,广泛应用于各类电源转换和功率控制电路中。今天,我们将深入探讨安森美(onsemi)的一款N沟道单通道碳化硅(SiC)功率MOSFET——NVH4L060N065SC1,它采用TO247 - 4L封装,具备出色的...

    已有86476人围观
  • AI眼镜,大厂第一战

    第一财经记者第一财经记者 2025-12-07

    最近,一个过去被视为小众奢侈的品类正悄然获得前所未有的关注度:AI眼镜。 百度刚刚发布的小度AI眼镜Pro,集AI识物、实时翻译和第一视角拍摄于一身;Rokid将原本面向工业场景的AR眼镜带入日常生活,主打轻便记录与智能交互;小米也在其“人车家全生态”战略发布会上,正式亮出小米AI眼镜,试图打通穿戴与家居的边界。 据不完全统计,已有近70家企...

    已有92411人围观
  • “AI+”的风吹到了教育!多家公司披露最新进展 这些股研发费用居前

    第一财经记者第一财经记者 2025-12-07

      11月28日,A股“AI+”的风吹到了教育。截至早间收盘,教育板块上涨1.35%,涨幅在两市行业板块中位居前列。个股方面,中国高科涨停,凯文教育涨超3%,全通教育、豆神教育、*ST国化、博通股份、昂立教育等多股涨超1%。   业内人士指出,当前,“AI+教育”正处于商业路径愈发清晰的关键发展期,以多邻国(Duolingo,在线语言学习平台)为代表...

    已有60715人围观
  • 中国科学技术大学:实现纠缠增强纳米尺度单自旋量子传感

    第一财经记者第一财经记者 2025-12-06

    中国科学技术大学与浙江大学合作,在纳米尺度量子精密测量领域取得进展,首次实现了噪声环境下纠缠增强的纳米尺度单自旋探测。 01 测量最基础的磁性单元 探测单个自旋,测量物质世界最基础的磁性单元,能够为剖析物性提供新视角,并为发展单分子磁探测技术和推进量子科技奠定基础。 但是,物质存在大量自旋,对单个自旋的探测犹如在喧闹的体育场中试图清晰捕捉某...

    已有57009人围观
  • 使用泰克4200A-SCS参数分析仪进行超低电流测量

    第一财经记者第一财经记者 2025-12-05

    概述 许多关键应用要求能够测量到非常小的电流,如 pA量级或更小的电流。这些应用包括测定FET的栅极漏电流,测试灵敏的纳米电子器件,以及测量绝缘器件和电容的漏电流。 4200A-SCS参数分析仪配置4200-PA远程前置放大器时, 具有最小10aA分辨率(10-16)的特殊低电流测量能力。小电流的成功测量不仅取决于使用像4200A-SCS这样非常灵...

    已有92336人围观
不容错过
Powered By Z-BlogPHP